Все товары  /  Климатическая техника  /  Аксессуары

Модуль ЭВАН ГВС AQUA

Код товара: 239659
Статус: В наличии 6 шт.
Описание

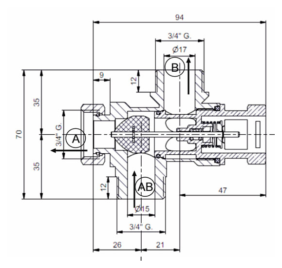
Модуль ЭВАН ГВС AQUA 116002 предназначен для обеспечения потребителя горячим водоснабжением при совместной работе электрического котла отопления с функцией управления контуром ГВС и бойлера косвенного нагрева.

Применим совместно с электрическими котлами: ЭВАН EXPERT, ЭВАН PRACTIC, STOUT и брендами других производителей. Косвенными водонагревателями группы компаний NIBE серий: MEGA W-E, QUATTRO W-E, SPIRO W-E, VLM KS, а также косвенными водонагревателями других производителей, имеющих гильзу для датчика измерения температуры нагреваемой воды диаметром не менее 7 мм.

Особенности:

  • Прибор в базовой комплектации предназначен для «интеллектуальных» котлов: электрический котел, газовый котел, пеллетный котел, твердотопливный котел
  • Сопротивление датчика температуры NTC котла должно иметь значение 10 кОм при t= 25 °С
  • Разъем для питания сервопривода трехходового клапана переменным напряжением 220 В
  • Разъем для подключения NTC-датчика температуры (термистора) номиналом 10 кОм (при 25 0С).
  • Присоединительный размер: G3/4"
Внимание! Информация о товарах, размещенная на сайте, не является публичной офертой, определяемой положениями Части 2 Статьи 437 Гражданского кодекса Российской Федерации. Производители вправе вносить изменения в технические характеристики, внешний вид и комплектацию товаров без предварительного уведомления. Уточняйте характеристики у наших менеджеров перед оформлением заказа.
Торговая марка ЭВАН

Компания ЭВАН является крупнейшим в России производителем и дистрибьютором теплового оборудования. Водонагреватели и отопительные котлы компании являются лучшими по соотношению "цена-качество" на современном рынке в нашей стране.

Нариман, руководитель филиала
Нариман
Руководитель филиала
15-16 сентября 2020 в рамках V РЭФ и
I ШЭФ прошла презентация
UNOX EVEREO с нашим участием
ENTERO - I Ресторанной маркетинг-конференции
ENTERO - официальный партнёр
I Ресторанной маркетинг-конференции
ENTERO - I Ресторанной маркетинг-конференции
ENTERO - официальный партнёр IV Ресторанного экономического форума
ENTERO - официальный партнёр IV Ресторанного экономического форума
Мы на передаче Дачный ответ,
эфир от 27.01.2019
ENTERO на передаче Дачный ответ, эфир от 27.01.2019
Магазин ENTERO - спонсор проекта Дачный ответ
ENTERO на передаче Дачный ответ, эфир от 15.02.2015
Магазин ENTERO на ТВ в программе Дачный ответ
ENTERO на передаче Дачный ответ, эфир от 19.10.2014
Магазин ENTERO на ТВ в программе Квартирный вопрос
ENTERO на передаче Квартирный вопрос, эфир от 20.11.2010
Распределение заказов, отправленных нами через ТК:
Деловые линии - 58.3%
Санкт-Петербург, Екатеринбург, Сочи, ...
ПЭК - 20.3%
Санкт-Петербург, Сочи, Екатеринбург, ...
КИТ - 3.3%
Астана, Атырау, Феодосия, ...
Желдорэкспедиция - 1.2%
Якутск, Владивосток, Находка, ...
Байкал-Сервис - 1.2%
Пятигорск, Санкт-Петербург, Анапа, ...
За прошедшие 5 дней отправлены заказы в города:
Белгород, Благовещенск, Воронеж, Иркутск, Казань, Краснодар, Кумертау, Муром, Новомосковск, Новосибирск, Рязань, Санкт-Петербург, Сургут, Томск, Чита, Южно-Сахалинск
Звоните в будни с 9:00 до 19:00,
в субботу с 10:00 до 18:00.